中国·365英国上市(集团)有限公司公司|官方网站
365英国上市官方网站王绍金教授“农产品储运保鲜和加工装备技术研究”团队在农产品射频灭菌研究方面取得新进展。研究成果《A comprehensive review on recent developments of radio frequency treatments for pasteurizing agricultural products》发表于校双一流B类期刊Critical Reviews in Food Science and Nutrition。论文第一单位为365英国上市公司365英国上市官方网站,博士研究生张莉慧为论文第一作者,王绍金教授为论文通讯作者。
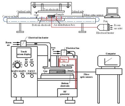
食品安全事故频发迫使食品工业寻找先进环保的杀菌方法,而射频(RF)加热作为一种新型物理杀菌方法受到重视。射频处理相对易应用,不留化学残留物,而且具有快速整体加热的优点。本文首先介绍了水活度与加热速率对微生物的热致死动力学的影响,然后讨论了自激振荡器和50欧姆两种射频加热系统(如下图)及其在农产品灭菌中的应用,全面分析了射频处理的非热效应以及组合灭菌的效果,总结了利用计算机模拟改善射频加热均匀性的方法和研发工业化射频杀菌工艺与技术,最后提出了射频杀菌技术在农产品加工研究中的未来发展方向。


两种典型射频加热系统
研究工作得到了国家重点研发计划、国家自然科学基金等项目经费的资助。